|
| Elliott Sound Products | Opamps - A Short History |
Main Index
Articles Index
|
Opamps (or op-amps/ operational amplifiers) are the most common components in any modern analogue circuit. This includes audio of course, and the opamp has displaced most discrete transistor circuits in (nearly) all common applications. These devices are covered fairly extensively in a number of articles on the ESP site, but this article is intended to describe the evolution of opamps, which means a bit of history. Where possible, the list is chronological, but the lines are very blurry around the dates that many of the ICs were introduced. Very early opamps are easy, as there was little or no competition at the beginning of the 'opamp revolution'. As development progressed the range and number of different types expanded almost exponentially. The number of new devices has diminished of late, mainly because there are already so many, and performance is approaching the theoretical limits.
Where appropriate, links to specific articles that have more detail will be shown in-line. Many of the things we take for granted in modern circuitry would be a great deal harder if we didn't have access to opamps, and the choice of available devices is a testament to their continued popularity.
The choices are extraordinary. A search for 'op amp' on Mouser (purely as an example) shows 8,496 devices in their catalogue. This is reduced to 6,728 devices if we look only at opamps that are normally stocked, reduced to 5,708 if we filter for opamps that are in stock. Texas Instruments lists 2,422 datasheets for opamps, and TI is just one of many manufacturers. Most new types are only available in SMD packages, and we are starting to see fewer through-hole parts in distributor catalogues.
The number of devices to keep as inventory is crazy, although many have the same base type number (e.g. TL072) but with different suffixes. These can indicate a 'better' part (selected parameters) or a different case style. For example a TL072P is PDIP (plastic package, dual in-line pins, through hole), while a TL072D is SOIC (small outline IC, SMD). There are several others as well, and different manufacturers may use suffixes that are different from those used by the original maker.
There are a number of parameters that are important, but just how important depends on your application. An LM358 will satisfy your need for a cheap opamp that includes the negative supply in its inputs and output, but it's not 'rail-to-rail' (that means that inputs and outputs can extend to the positive and negative supplies). The LM558 is a very low current device (around 500μA for a dual opamp), but it's noisy, has high distortion (especially crossover distortion) and it's slow. If used for audio, the results will be disappointing.
This doesn't make it useless, in fact it's a very handy opamp. So much so that the PDIP version seemed to go out of production a few years ago, but it was quickly reinstated. I've used it in a number of projects (not for audio though), and I wouldn't be alone in being seriously miffed if I couldn't get them. Quite obviously, many major manufacturers felt the same way, so it returned. In truth, there aren't many opamps that can match some of its unique properties (especially its low cost), and it's very useful for basic signal processing.
The venerable TL072 (or its 'twin' the LF353) isn't wonderful either. They are fairly noisy (but 'quiet' for early generation FET-input devices), but they are used in their thousands in commercial products ranging from guitar amplifiers, general-purpose audio circuits, instrumentation (a 1TΩ input impedance can be rather useful) and countless other circuits.
One of the very first opamp ICs that was 'affordable' was the μA709. This was an improved version of the μA702, which had comparatively high distortion due to an un-biased output stage. The 709 had no internal compensation, so three circuit nodes were pinned to allow the designer to optimise the stability of the device for the required task. After Bob Widlar (the designer) left Fairchild and joined National Semiconductor he came up with the LM101/301, a greatly improved opamp that took the design to a new level.
Meanwhile, Fairchild developed what is quite possibly the most popular opamp ever made - the μA741 (later released by others as the LM741). Slow, noisy and pretty ordinary distortion figures didn't deter anyone, and it's still in use. A dual version is the LM/MC1458 - it's just as basic as the 741, but there are two in a single package.
Note that in some articles elsewhere, you might see the MC/RC4558 listed as a dual 'equivalent' to the 741. It's not and never was. It's a fairly competent dual opamp that has been the mainstay of guitar effects pedals for decades, and it has reasonably good specifications. It's quieter than a TL072, and almost dirt-cheap. No need to wonder why it's popular.
A little-known opamp was the μA739. These were used in the famous (or infamous) Crown DC300A power amplifier, and I also used them in a very early state-variable crossover network I designed in the 1970s (as near as I can recall). These were unusual, as they used a Class-A output stage, and an external resistor was needed from the output to the -ve supply. The package contained dual uncompensated opamps that required external parts to set the stability criteria. It was claimed that they were tolerant of a shorted output, but I can say based on experience that this was untrue. It was the easiest opamp to 'blow up' I ever used.
Compared to some of the latest opamps, everything mentioned so far is very basic, but that should never detract from getting an opamp to do just what you need it to do. In the early days, even modest opamps were expensive, but the performance available now is simply astonishing. In some cases you pay dearly for that, sometimes you get a pleasant surprise.

The K2-W valve opamp was state-of-the-art when it was made (starting in ca. 1951), being the first 'general-purpose' opamp. Others came before it, but none was as easy to use or so small. Using a pair of 12AX7 valves, it featured the common elements we associate with opamps today. A differential input stage was followed by a VAS (voltage amplifier stage) and a cathode-follower output. R7 applies positive feedback to increase the gain of V2A (the VAS). Without that, the gain was too low to allow the gain to be set with external resistors, increasing open-loop gain from around 4,000 to 20,000 V/V. The opamp used an octal relay base which provided easy connection to the opamp proper. Positively huge by modern standards, it was a ground-breaker in its day. It used ±300V supplies (plus the 6.3V heater supply).
It's interesting that the heaters were all operated in parallel, rather than the lower current series-parallel connection (using 12.6V). There's a vast amount of information on the K2-W, and it has been extensively analysed by countless luminaries in circuit design. I don't intend to add to this, but if you want to know more, simply search for 'Philbrick K2-W'. Note that some circuits you'll see use slightly different resistor values, but the end result is much the same.
One thing that I will not do here is debate the sound of the various devices. Nor will I claim that they all sound the same, because there are quite a few that will most certainly announce their presence with high noise and distortion, poor high frequency performance, etc. One thing I will state categorically is that to accuse any opamp of 'poor bass' is self-delusion. By their very design, opamps have the best possible performance at DC, because that's where they have their maximum open-loop gain, and therefore the most feedback and highest linearity.
DC isn't 'bass', but in the range from 16Hz to ~100Hz, the differences between opamps are so small as to be considered negligible. However, there are some opamps (from the best to the 'worst') that may have excessive low-frequency (1/f) noise. Whether it ever becomes audible is debatable, but it is a possibility. Frequency response within the same range is determined by external factors, not the opamp.
If I never hear someone complaining that XXX opamps have no 'slam' or 'punch' or are 'slow' in the bass region, it will be too soon. Get used to it - there is no difference, and simple logic says that this must be so. Changing opamps for 'better bass' is no different from gold-plating your letterbox in the hope of getting nicer letters.
The article Opamp Frequency Vs Gain has some useful info that you can use to compare opamps, but only a limited number can be fitted into a short article, so don't be offended if your favourite is missing.
Noise is often a major consideration, and there are two types - voltage noise and current noise. Voltage noise is dominant in low impedance circuits - up to 100k or so, and above that, current noise becomes the deciding factor. Using a low voltage noise opamp in a circuit with a 10MΩ input impedance would not be sensible, so you need a device with low current noise. That almost invariably means an opamp with JFET inputs (some CMOS opamps might have low enough noise, but most do not).
Where someone believes that they do hear a difference with full-range material, the reasons need to be investigated. We can measure levels (of harmonics or other 'disturbances') that cannot be heard, and if there are notable differences they will show up in measurements. This is not just frequency response or THD, but intermodulation distortion as well. Transient response should never be an issue, since an opamp using ±15V supplies reproducing 30kHz at 5V RMS only requires a slew rate of 1.32V/μs (although at least 5V/μs would be advised). Any competent opamp can manage that, even though no 'small-signal' audio will ever require it.
In some cases opamps are expected to drive low impedances. 600Ω is often quoted, but opamps driving internal circuits may have to deliver more current than expected. This will increase distortion, and may cause premature clipping within the circuit. Many equalisers require fairly high current internally, and you may see an unexpected opamp used where a more common type might seem more sensible. This is all part of the design process, ensuring that unintended problems don't appear in the final product.
Opamps can be used to amplify voltage, current or both. In reality, almost all circuits do both, so in that sense they are power amplifiers (power being the product of voltage and current). Most of the time, we don't draw much current from the output, and it's limited to a few milliamps at most. However, the current is available whether we use it or not. Some opamps can deliver ±20mA without distorting, but most cannot - even if the specifications claim otherwise. For example, a TL07x opamp can allegedly deliver ±16mA into a 600Ω load (based on datasheet graphs). This may be true, but expect the distortion to be much higher than it will be at more realistic currents (±5mA or less).
Voltage amplifiers predominate, and they can be non-inverting (the most common) or inverting. Strictly speaking, an inverting amplifier is a current amplifier by default, but we don't often see it that way. However, it's still true, since the output voltage is determined by the input current. A voltage-to-current converter is almost always used at the input - it's called a resistor.
Think of a 1k resistor. If it has 1V across it, it passes 1mA, regardless of the voltage being AC, DC, RMS or peak. That's the voltage-to-current converter right there. The opamp then operates as a current-to-voltage converter (aka a transimpedance amplifier), a term that often creates fear and loathing to the uninitiated, but there's nothing complex about the basic idea. It does become complex if your input current is only a few microamps (or less), but the principle is not changed.
It doesn't even matter if the opamp has JFET inputs (normally considered extremely high impedance), because the inverting input is maintained at zero volts by feedback (a dual supply is assumed). In an inverting gain stage, the non-inverting input is grounded, and the inverting input is a virtual ground/ earth. If the non-inverting input is at zero volts (earth/ ground), then the inverting input has to be at the same voltage (see my 'rules' of opamps below). Opamps rely on feedback to function, as without it the gain is so high (and the frequency response so limited) that they would be no use to anyone.
There is a component that looks like an opamp, but it isn't. It's called a comparator, and these are designed to be operated open-loop. Applying feedback will result in oscillation, and there is no facility to apply compensation. These are covered in depth in the article Comparators, The Unsung Heroes Of Electronics. They are not discussed further here, but you do need to be aware of the differences. This is doubly true because the basic schematic symbol is the same for opamps and comparators.
Many years ago I determined what I called my 'two rules of opamps'. Provided any (conventional) opamp is operated within its linear range, the feedback works to keep both inputs at the same voltage. There will be small deviations caused by input offset, but the principle is unchanged. If the feedback cannot achieve this, the output takes the polarity of the more positive input. If the inverting input is at a higher (more positive) voltage than the non-inverting input, the output will be negative (or zero volts for single supply circuits). Naturally, the converse also applies. If you understand these basic rules, opamps will not cause any brain-pain. 
The two rules are therefore ...
1. In linear mode, the feedback works to keep both inputs at the same voltage, and ...
2. If this is not possible, the output takes the polarity of the more positive input.
There is no (working) opamp circuit where one or the other of these rules does not apply. If you find a significant difference (more than a few millivolts) there is a wiring error or the opamp is faulty. Note that 'more positive' applies even if both inputs are negative. For example, -1V is more positive than -2V. These 'rules' always apply, but they are limited to voltage feedback types (the vast majority of all opamps in use). Current feedback (CFB) opamps are sometimes different, but with many the 'rules' still apply. These are a special case, and are covered in the article Current Feedback vs. Voltage Feedback.
The earliest opamps were valve (vacuum tube) based, and were rather limited. These are discussed extensively on-line, but one of the more popular versions was the K2-W, made by George A Philbrick Researches (GAP/R), which used a pair of 12AX7 valves, a differential input stage and cathode follower output. These were not used for audio, as they were too expensive and it was far easier to use conventional circuits.
ICs that we now consider to be 'true' opamps began in 1964. Prior to that, most amplification was done with fully discrete circuits, including valve designs. Most were intended for AC only, because DC amplification was difficult. It was done when necessary by using early 'chopper' amplifiers that (pretty much literally) chopped the DC to produce an AC voltage (a squarewave), and that was amplified. If necessary this was converted back to DC after amplification. Chopper opamps still exist, and are often referred to as 'zero drift' opamps.
The creation of opamps as we know them changed everything. Any number of (audio) people claimed they were 'horrible' compared to discrete transistor or valve designs, but reality (and pragmatism) quickly saw opamps used for most amplifying tasks that would otherwise be needlessly complex. This prejudice continues, and there is any number of people who will relieve you of (lots of) cash for discrete designs that few (if any) people will pick in a double-blind test.
Please be aware that the circuit diagrams are believed to be accurate, but may contain errors or be slightly different from the actual circuit. There are many opamps missing, as I only included those for which a schematic could be found. I've resisted the urge to try to explain how each one works. Some will be easy to follow (and simulate), others not. Most of the common circuit 'blocks' are seen in the diagrams, such a s long-tailed pairs, current mirrors, Darlington and Sziklai pairs. Resistors are usually kept to the minimum, as they are comparatively difficult to fabricate on silicon. Fabrication of capacitors is also difficult, even with low values.

The four important building blocks are shown above. The long-tailed pair (LTP - Q1, Q2) uses a current sink (same as a current source) in the emitter circuit. This uses a reference based on D1, D2, with Q3 set for 1mA (650mV forward voltage for transistors and diodes). The collector load for the LTP is a current mirror, which ensures that Q1 and Q2 draw the same current. The VAS (voltage amplifier stage) converts the signal from current-mode to voltage-mode, and is followed by an output stage (typically dual emitter-followers). These circuits are used extensively in all opamp designs (including discrete). The one shown has a gain of about 2,200 (66dB), but this can be increased dramatically by using a current source/ sink as the load for Q6 (replacing R3). A very rough simulation shows an open-loop gain (no feedback) of 17,000 (almost 84dB) with a 3mA current sink for Q6. ±12V supplies are assumed.
These circuit blocks can be seen in all of the drawings below, although sometimes they can be hard to identify. I didn't include an output stage protection circuit in Fig. 3.0 to keep it as simple as possible. Every stage that's added makes it harder to keep the circuit stable (free from high-frequency oscillation), because each adds some phase shift. Even the simple circuit shown above will oscillate when a 3mA current sink is added to replace R3 (4k resistor). While the simulator claims it's stable, I don't believe that for an instant.
The μA702 was the first opamp to be released, although it was so expensive that it was probably only bought by the military. With only 9 transistors (all NPN), its performance was mediocre by modern standards, but at the time it was a minor miracle. Released in 1964, it was the first monolithic opamp IC (meaning everything on a single 'chip' of silicon).

The μA702 is a monolithic DC amplifier, constructed using the Fairchild Planar Epitaxial process. It is intended for use as an operational amplifier in analog computers, as a precision instrumentation amplifier, or in other applications requiring a feedback amplifier useful from DC to 30MHz.
The μA702 had very limited open-loop gain (around 2,500 or 68dB), but the IC process meant that it could outperform 'equivalent' discrete circuits. This is a characteristic of all IC opamps because the transistors are thermally matched, and this minimises offset drift with temperature. There are some very clever tricks used in the IC to allow the use of all NPN transistors. It's unusual, in that it included a ground pin, something that most opamps have not used since. The output stage is Class-A, using a resistor from the emitter of the lone output transistor. A bit of additional gain is obtained by applying positive feedback into the emitter of Q9, via R10 and R11. The emitter resistor (R6) is coupled to the junction, and it's a positive feedback circuit that adds some gain. The positive feedback must be kept below unity to prevent oscillation.
The μA709 followed in 1965, and was an immediate success. With much higher gain and better performance overall, it was also comparatively cheap. The output stage is unbiased, so crossover distortion would be inevitable at low levels. Feedback can't remove it, because the stage has zero gain when both transistors are off. No gain means no feedback. This IC had PNP transistors, which made internal level-shifting far easier than with all NPN devices.
The IC fabrication process means that PNP transistors are rather poor compared to their NPN equivalents, but using clever design techniques meant that the effects were mitigated - at least to a degree. This has always been an issue with linear circuits, and even today the PNP transistors in an IC aren't as good as the NPN devices. All manufacturers have found ways to get around this limitation, and it should not be a concern with any opamp that you can buy.

These circuits are general-purpose operational amplifiers, each having high-impedance differential inputs and a low-impedance output. Component matching, inherent with silicon monolithic circuit-fabrication techniques, produces an amplifier with low-drift and low-offset characteristics. Provisions are incorporated within the circuit whereby external components may be used to compensate the amplifier for stable operation under various feedback or load conditions. These amplifiers are particularly useful for applications requiring transfer or generation of linear or nonlinear functions.
The μA709A circuit features improved offset characteristics, reduced input-current requirements, and lower power dissipation when compared to the uA709 circuit. In addition, maximum values of the average temperature coefficients of offset voltage and current are specified for the μA709A.
There's no doubt that this was a very good opamp for the day. The unbiased output stage is a pity, but there are plenty of applications where this is not a major limitation. You can see that the two output transistors (Q10 and Q13) have their bases tied together, so the drive signal has to overcome the 0.7V base-emitter voltages before the output responds. The 'dead zone' created causes crossover distortion if used for audio frequency AC, but this is only an issue with 'true' audio signals. The cost of these early IC opamps was such that no one considered their use in audio circuitry, as discrete designs of the day were 'good enough' and budget-friendly. Indeed, by comparison, a discrete 2-transistor Class-A preamplifier would outperform a 709 easily.
The μA741 is quite possibly the most popular opamp of all time. When it was released in 1968, everyone loved the fact that no external parts were needed for stability (no external compensation capacitor), and it was stable at unity gain. This made it ideal as a voltage follower (buffer) or general-purpose amplifier, and they were used by almost everyone (including for audio). It was common to see them with a pair of low-noise transistors (usually as a long-tailed pair) at the input to get lower noise for RIAA (phono) and microphone preamps.
It's almost certain that you won't find anyone old enough to see the introduction of the 741 who didn't use them. They are still popular, despite their many shortcomings compared to modern opamps, but often a designer just wants something that will work, with no fuss, and no need to be to particular about supply bypassing, PCB layout or anything else that may cause problems in operation. If you need a dual version, the MC/RC1458 is ideal - very similar specs overall, and almost no likelihood of malfunction even with breadboard or Veroboard.

The μA741 is a general-purpose operational amplifier featuring offset-voltage null capability. The high common-mode input voltage range and the absence of latch-up make the amplifier ideal for voltage-follower applications. The device is short-circuit protected and the internal frequency compensation ensures stability without external components. A low value potentiometer may be connected between the offset null inputs to null out the offset voltage as shown in Figure 2.
The μA741C is characterized for operation from 0°C to 70°C. The µA741I is characterized for operation from –40°C to 85°C. The µA741M is characterized for operation over the full military temperature range of –55°C to 125°C.
The μA741 uses a biased output stage, with a now conventional bias servo based on Q18, Q19 and R10. There's also much more use made of current mirrors, both to increase gain and reduce non-linearities (distortion). We also see some of the first transistors with dual collectors/ emitters. These are easily fabricated in an IC.

Later versions of the μA741 were different from early designs. Performance was (pretty much) unchanged, but as fabrication techniques improved, designs could be improved with virtually no cost penalty. The internal changes are not always obvious, but all manufacturers have a disclaimer on datasheets that says that they reserve the right "to make changes to their products or to discontinue any product or service without notice", and advise customers to obtain the latest version of relevant information to verify that information being relied on is current and complete.
These opamps dominated the market for a time. While never as popular as the μA741, they were much faster. Noise was about the same or slightly better (it wasn't mentioned in the 741 datasheet). Being externally compensated meant that the designer had to work out the optimum compensation capacitor for the desired performance, and it meant that an extra component was required. Hardly something to complain about, especially since it made the opamp more versatile.
The LM301 didn't get a great deal of traction in audio applications, but it was used (actually the LM301A) in the Quad 405 series of power amplifiers. This (amongst other things) created something of a stir (to put it mildly) in the audio fraternity. Many people thought that using an opamp in a power amplifier was sacrilege, and the 'current dumping' technique used caused even more fuss. It was even claimed that it couldn't possibly work, even though it was quite obvious that it did!

The LM101A series are general purpose operational amplifiers which feature improved performance over industry standards like the LM709. Advanced processing techniques make possible an order of magnitude reduction in input currents, and a redesign of the biasing circuitry reduces the temperature drift of input current. Improved specifications include:This amplifier offers many features which make its application nearly foolproof: overload protection on the input and output, no latch-up when the common mode range is exceeded, and freedom from oscillations and compensation with a single 30 pF capacitor. It has advantages over internally compensated amplifiers in that the frequency compensation can be tailored to the particular application. For example, in low frequency circuits it can be overcompensated for increased stability margin. Or the compensation can be optimized to give more than a factor of ten improvement in high frequency performance for most applications.
- Offset voltage 3 mV maximum over temperature (LM101A/LM201A)
- Input current 100 nA maximum over temperature (LM101A/LM201A)
- Offset current 20 nA maximum over temperature (LM101A/LM201A)
- Guaranteed drift characteristics
- Offsets guaranteed over entire common mode and supply voltage ranges
- Slew rate of 10V/μs as a summing amplifier
In addition, the device provides better accuracy and lower noise in high impedance circuitry. The low input currents also make it particularly well suited for long interval integrators or timers, sample and hold circuits and low frequency waveform generators. Further, replacing circuits where matched transistor pairs buffer the inputs of conventional IC op amps, it can give lower offset voltage and a drift at a lower cost.
The LM101A is guaranteed over a temperature range of -55°C to +125°C, the LM201A from -25°C to +85°C, and the LM301A from 0°C to +70°C.
National Semiconductor released the LM101 (and its lower spec LM301) in 1968. These were a vast improvement on many of the earlier Fairchild designs, and National Semiconductor was founded by former Fairchild employees. This is now a great deal harder, because most companies include 'non-compete' clauses in employment contracts to prevent this from happening (Intel came about by similar skulduggery). Bob Widlar moved to National and took his considerable design expertise with him, but that didn't stop Fairchild from releasing the 741 and pretty much taking over the market.
The LM318 was almost a quantum leap over earlier opamps. It was released by National Semiconductor in 1971. With up to 15MHz bandwidth (small signal) and a 50V/μs slew rate, their speed was unmatched at the time. There are dire warnings about the danger of not applying proper bypassing techniques. The effects may not be immediately audible or visible on a scope, but internal oscillation could cause degraded performance.

The LM118 series are precision high speed operational amplifiers designed for applications requiring wide bandwidth and high slew rate. They feature a factor of ten increase in speed over general purpose devices without sacrificing DC performance.
The LM118 series has internal unity gain frequency compensation. This considerably simplifies its application since no external components are necessary for operation. However, unlike most internally compensated amplifiers, external frequency compensation may be added for optimum performance. For inverting applications, feedforward compensation will boost the slew rate to over 150V/μs and almost double the bandwidth. Overcompensation can be used with the amplifier for greater stability when maximum bandwidth is not needed.
Further, a single capacitor can be added to reduce the 0.1% settling time to under 1μs. The high speed and fast settling time of these op amps make them useful in A/D converters, oscillators, active filters, sample and hold circuits, or general purpose amplifiers. These devices are easy to apply and offer an order of magnitude better AC performance than industry standards such as the LM709. The LM218 is identical to the LM118 except that the LM218 has its performance specified over a -25°C to +85°C temperature range. The LM318 is specified from 0°C to +70°C.
An interesting limitation is that when used as a buffer (voltage follower), the inverting input must not be connected directly to the output (unlike almost all other opamps). The minimum resistance between these two pins is 5k, which may be bypassed with a small capacitance (the datasheet suggests 5pF). The IC is internally compensated, but feedforward compensation can be used to increase open-loop bandwidth and increase the slew-rate to 150V/μs.
These devices were designed by Philips in around 1975, and were designated the TDA1034. Later manufactured by Signetics using a more economical process, the IC was re-named as the NE5534, and Philips acquired Signetics sometime in the late 1970s or early 1980s. The 5534 (and dual version 5532) were a breakthrough at the time, and they were aimed at audio. They quickly cemented their place in audio circuits, and were the mainstay of almost every mixing console made since their release, and up until comparatively recently. They have high supply current, but were the first opamps that were designed to drive a 600Ω load (a common requirement at the time). With very low noise and distortion, they weren't surpassed until Texas Instruments released the LM4562. This point may be argued, but it's a view held by many audio designers. Like the LM318, proper bypassing is absolutely essential to ensure that performance isn't compromised.
For most audio projects, the NE5532 (dual) is still an excellent choice. There are 'better' opamps to be sure, but in 99.9% of cases the difference will be inaudible. The IC is now available from multiple manufacturers, and while some people claim that different maker's ICs sound 'different', this is (generally) not backed up by measurements. It's almost certain that differences can be measured, but if present they will be well below the threshold of audibility.

Note that the component numbering is mine - the available schematics don't show designators, and most resistor values are also not included. Depending on the datasheet, you may see minor differences when a circuit diagram is included (they were not disclosed for many years). The one 'failing' of the NE5532 is that it has mediocre DC offset performance, but this is not (or should not) be an issue with any audio circuit, as DC should be blocked by a capacitor as a matter of course. The NE5534 is internally compensated for a gain of three or more. At lower gains, an external compensation capacitor is required. The 5532 is compensated for unity gain (inverting or non-inverting).
Datasheet DescriptionThe NE5534, NE5534A, SE5534, and SE5534A are monolithic high-performance operational amplifiers combining excellent DC and AC characteristics. Some of the features include very low noise, high output drive capability, high unity gain and maximum-output-swing bandwidths, low distortion, and high slew rate.
These operational amplifiers are internally compensated for a gain equal to or greater than three. Optimization of the frequency response for various applications can be obtained by use of an external compensation capacitor between COMP and COMP/BAL. The devices feature input protection diodes, output short-circuit protection, and offset-voltage nulling capability.
For the NE5534A, a maximum limit is specified for equivalent input noise voltage.
The NE5534 and NE5534A are characterized for operation from 0°C to 70°C. The SE5534 and SE5534A are characterized for operation over the full military temperature range of – 55°C to 125°C.
As always when delving into what is now ancient history (for opamps), there are conflicting reports of the date of introduction, and the relationship between Philips and Signetics. The info here is (hopefully) correct, but it's inevitable that other sites will have slightly different dates and/ or details of the relationship between Philips and Signetics. The datasheet I have for the TDA1034 is dated April 1976, and it is based on development samples, with a warning that it does not imply that the IC will go into production.
Many people consider the TL07x series of opamps to be 'inferior', and don't consider them to be worthy of hi-if. In general this is untrue, provided you use them within their limitations. Probably the most annoying 'feature' is a polarity reversal if the input common mode range is exceeded. This is difficult within a circuit, but a TL07x that interfaces with the outside world is at some risk. If either input is brought close to the negative supply voltage (VEE), the output may change polarity - you expect it to be low, but it suddenly swings to close to the positive supply rail (VCC). Note that the offset null facility is only available on the TL071. The series was introduced in ca. 1978.

The TL07x series has been popular for many years, and they are still common in audio gear, guitar amps, etc. The polarity inversion is so well-known that a lot of datasheets (especially for FET input opamps) proclaim that they are "free from polarity inversion if the common mode range is exceeded". This problem is often used as a reason not to use TL07x opamps, but it rarely causes any issues. If it does occur, the sound is most unpleasant, but I don't think I've ever had a problem in any 'real' circuit. As with the NE5534, the component numbers are mine - they aren't shown in the datasheet.
Datasheet DescriptionThe JFET-input operational amplifiers in the TL07x series are designed as low-noise versions of the TL08x series amplifiers with low input bias and offset currents and fast slew rate. The low harmonic distortion and low noise make the TL07x series ideally suited for high-fidelity and audio preamplifier applications. Each amplifier features JFET inputs (for high input impedance) coupled with bipolar output stages integrated on a single monolithic chip.
The C-suffix devices are characterized for operation from 0°C to 70°C. The I-suffix devices are characterized for operation from –40°C to 85°C. The M-suffix devices are characterized for operation over the full military temperature range of –55°C to 125°C.
The input impedance of these opamps is quoted as 1TΩ (one tera-ohm, or 1,000GΩ), but this is a theoretical value that's almost impossible to achieve in practice. Printed circuit board leakage (along with leakage across the package itself) will dominate, even if the input is 'guarded' (a PCB layout technique that bootstraps the input section with a ring of copper around input circuitry). I've used a technique I call 'sky-hooking' - all input circuitry (including the input pin) is connected in mid-air, with no input pin connections to the PCB.
The TL08x series is virtually identical to the TL07x (supposedly marginally better). The LM355/6 is generally considered 'equivalent' to a TL071. Many of the specs are almost identical, but these opamps weren't available in dual or quad versions. Usage seems to be very low - I've seen almost no circuits of commercial equipment that used them. It appears that they may be unavailable now.
The OP07 is made by Analog Devices, and is classified as a precision opamp with ultra-low DC offset. Without nulling, offset is internally trimmed to be within ±75μV, and that can be reduced by using the offset null pins. It's not especially quiet (~10nV√Hz), but for a bipolar transistor input opamp it has a higher than 'typical' input impedance. This is a good opamp to use when very low offset is important.
Considering the DC accuracy and its other specs, it's very reasonably priced from most distributors. It's not suitable for driving low-impedance loads (around 1kΩ is the lower limit), but that's rarely an issue for instrumentation applications. I've specified the OP07 in at least one project, but they are widely used in commercial/ industrial designs.

The schematic is simplified, in that is shows current sources as a symbol rather than the complete circuit. Unfortunately, the current passed by each isn't stated anywhere. The gain is stated in V/mV (not uncommon), and it works out to 200,000 (106dB) open loop (minimum). In most cases it's much higher - there's a graph in the datasheet that shows a gain of 114dB at 25°C.
Datasheet DescriptionThe OP07 has very low input offset voltage (75 µV maximum for OP07E) that is obtained by trimming at the wafer stage. These low offset voltages generally eliminate any need for external nulling. The OP07 also features low input bias current (±4 nA for the OP07E) and high open-loop gain (200 V/mV for the OP07E). The low offset and high open-loop gain make the OP07 particularly useful for high gain instrumentation applications.
The wide input voltage range of ±13 V minimum combined with a high CMRR of 106 dB (OP07E) and high input impedance provide high accuracy in the non-inverting circuit configuration. Excellent linearity and gain accuracy can be maintained even at high closed-loop gains. Stability of offsets and gain with time or variations in temperature is excellent. The accuracy and stability of the OP07, even at high gain, combined with the freedom from external nulling have made the OP07 an industry standard for instrumentation applications.
The OP07 is available in two standard performance grades. The OP07E is specified for operation over the 0°C to 70°C range, and the OP07C is specified over the -40°C to +85°C temperature range.
You won't find the OP07 in audio circuits, although I'm sure that someone would have tried them. There's no reason they wouldn't perform well, but most audio designers tend to stay with opamps that are at least claimed to be suitable for audio. It would be useful for a DC servo (in power amplifiers) with its low DC offset, but having bipolar transistor inputs means that the impedance is likely to be a bit too low, meaning that a high value integrating capacitor is needed (see DC Servos - Tips, Traps & Applications for details).
The input transistors have bias-current compensation, so the input current drawn from the external circuitry is greatly reduced. Unfortunately, the extra transistors (Q5,6,7,8) add some noise, so you can't expect to use it for low-noise circuitry.
Released (by Analog Devices) in around 1990, this is an RF (radio frequency) opamp, but is more commonly 'restricted' to high-speed video applications. Uncompensated, the gain-bandwidth product is 750MHz, but the usable bandwidth is 'only' 120MHz. The features (from the datasheet) are as follows ...
High speed 120 MHz bandwidth, gain = -1 230 V/μs slew rate 90 ns settling time to 0.1% Ideal for video applications 0.02% differential gain 0.04° differential phase Low noise 1.7 nV/√Hz input voltage noise 1.5 pA/√Hz input current noise Excellent DC precision 1 mV maximum input offset voltage (over temperature) 0.3 μV/°C input offset drift Flexible operation Specified for ±5 V to ±15 V operation ±3 V output swing into a 150Ω load External compensation for gains 1 to 20 5 mA supply current

The schematic is simplified, and the datasheet says the IC has 46 transistors. The current sources/ sinks will all use transistors, and for IC fabrication, diodes are almost always 'diode-connected' transistors (base and collector joined).
Datasheet DescriptionThe AD829 is a low noise (1.7 nV√Hz), high speed op amp with custom compensation that provides the user with gains of 1 to 20 while maintaining a bandwidth >50 MHz. Its 0.04° differential phase and 0.02% differential gain performance at 3.58 MHz and 4.43 MHz, driving reverse-terminated 50Ω or 75Ω cables makes it ideally suited for professional video applications. The AD829 achieves its 230 V/μs uncompensated slew rate and 750 MHz gain bandwidth while requiring only 5 mA of current from power supplies.
The AD829 is still in production (well over 30 years at the time of writing), but as you'd expect for such a high-spec part, it's not inexpensive. It's available in several packages, from DIP to SMD (including LLCC). This isn't an opamp that I'd suggest for audio, although if properly compensated I'm sure it would do a fine job. It's too expensive, and doesn't really offer any significant advantages over more common audio opamps. It can drive a 150Ω load, but with greatly reduced voltage swing. Distortion is low, but it doesn't compare to an LM4562 (for example). The internal compensation is sufficient with a noise gain of 20 or more, but for lower gain external compensation is required.
This is an unusual opamp, in that it has low supply current but can drive 600Ω loads. It claims to have no crossover distortion despite the very low current. I could find no details on when these were introduced, but apocryphal evidence indicates that they have been around for quite some time. The DIP package is now obsolete, but SMD versions are still available at low cost.
Features: 600Ω Output Drive Capability Large Output Voltage Swing Low Offset Voltage: 0.15 mV (Mean) Low T.C. of Input Offset Voltage: 2.0μV/°C Low Total Harmonic Distortion: 0.0024% (@ 1.0 kHz w/600Ω Load) High Gain Bandwidth: 5.0 MHz High Slew Rate: 2.0 V/μs Dual Supply Operation: ±2.0 V to ±18 V ESD Clamps on the Inputs Increase Ruggedness without Affecting Device Performance

The MC33178/9 series is a family of high quality monolithic amplifiers employing Bipolar technology with innovative high performance concepts for quality audio and data signal processing applications. This device family incorporates the use of high frequency PNP input transistors to produce amplifiers exhibiting low input offset voltage, noise and distortion. In addition, the amplifier provides high output current drive capability while consuming only 420μA of drain current per amplifier. The NPN output stage used exhibits no deadband crossover distortion, large output voltage swing, excellent phase and gain margins, low open-loop high frequency output impedance, symmetrical source and sink AC frequency performance.
This rather unusual opamp uses a boosted output stage to combine a high output current with a supply current lower than similar bipolar input opamps. Its 60° phase margin and 15dB gain margin ensure stability with up to 1000pF (1nF) of load capacitance. The ability to drive a minimum 600Ω load makes it particularly suitable for telecom applications. Operation is from ±2V to ±18V, meaning that it can be operated from a single 5V supply.
There's no reason not to use it for audio, but there's also no compelling reason to include it in a modern design. There are many other opamps that out-perform it in nearly all respects, but expect higher supply current. The combination of very low current and the ability to drive low-impedance loads makes it unique.
The CA3130 is a BiMOS (bipolar/ MOSFET) opamp, that can be useful in a number of circuits. This is not a 'hi-fi' device, but it is ideal for many simple instrumentation circuits. It's pretty noisy (no noise figure is even quoted for the 3130), but it will be perfectly alright for reasonable signal levels.

The 3130 is uncompensated, and a capacitor is needed between the 'Compensation' pins. For a unity gain buffer you need around 56pF, but this can be reduced if the circuit is operated with gain. Because the input impedance is so high, best results will be obtained when the source impedance is 100k or more, as current noise is claimed to be quite low. It's not specified though.
Datasheet Description15MHz, BiMOS Operational Amplifier with MOSFET Input/CMOS Output
CA3130A and CA3130 are op amps that combine the advantage of both CMOS and bipolar transistors. Gate-protected P-Channel MOSFET (PMOS) transistors are used in the input circuit to provide very-high-input impedance, very-low-input current, and exceptional speed performance. The use of PMOS transistors in the input stage results in common-mode input-voltage capability down to 0.5V below the negative-supply terminal, an important attribute in single-supply applications.
A CMOS transistor-pair, capable of swinging the output voltage to within 10mV of either supply-voltage terminal (at very high values of load impedance), is employed as the output circuit. The CA3130 Series circuits operate at supply voltages ranging from 5V to 16V, (±2.5V to ±8V). They can be phase compensated with a single external capacitor, and have terminals for adjustment of offset voltage for applications requiring offset-null capability. Terminal provisions are also made to permit strobing of the output stage.
Just because an opamp has a similar number doesn't mean that it's related in any way to another. You would think that the CA3130 and CA3140 were related, but they are very different devices. The CA3140 is classified as a BiMOS opamp, and uses MOSFETs for the input with most of the internal circuitry using BJTs. The noise is quoted as 40nV/√Hz (1kHz), and while you might expect to see a current noise figure quoted, it's not in the datasheet (at least not in the one I have).

The input impedance is claimed to be 1.5TΩ, something that will be very hard to verify on the workbench. This is a good opamp to use where noise isn't a major issue, and I recommended it in the Project 154 PC oscilloscope adapter. It's not especially cheap, but it will work with low supply voltages, down to 4V single supply.
Datasheet DescriptionThe CA3140A and CA3140 are integrated circuit operational amplifiers that combine the advantages of high voltage PMOS transistors with high voltage bipolar transistors on a single monolithic chip.
The CA3140A and CA3140 BiMOS operational amplifiers feature gate protected MOSFET (PMOS) transistors in the input circuit to provide very high input impedance, very low input current, and high speed performance. The CA3140A and CA3140 operate at supply voltage from 4V to 36V (either single or dual supply). These operational amplifiers are internally phase compensated to achieve stable operation in unity gain follower operation, and additionally, have access terminal for a supplementary external capacitor if additional frequency roll-off is desired. Terminals are also provided for use in applications requiring input offset voltage nulling. The use of PMOS field effect transistors in the input stage results in common mode input voltage capability down to 0.5V below the negative supply terminal, an important attribute for single supply applications. The output stage uses bipolar transistors and includes built-in protection against damage from load terminal short circuiting to either supply rail or to ground.
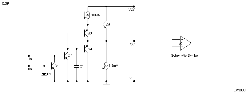
The Norton (aka current differencing amplifier or CDA) was introduced in the mid 1970s, and was claimed to be the answer to problems that no one actually had. I admit that I never used them in anything even remotely serious, but (like many others at the time) I did have a play with the LM3900 - a quad Norton amplifier. I failed to see any benefits, but I did fine many reasons not to use them. At one stage, it seemed that almost everyone thought they were wonderful, but IMO they were just a stupid idea with few redeeming features.
There were a few applications where they almost made sense, but not to the point where I ever seriously considered them for anything. These amplifiers have two low impedance current-mode inputs, and a low impedance voltage output. They are biased very differently from 'proper' opamps, and have the distinct disadvantage that the resistors are generally all high-value, so noise is much higher than even 'ordinary' conventional opamps.
Datasheet DescriptionThe LM2900 series consists of four independent, dual input, internally compensated amplifiers which were designed specifically to operate off of a single power supply voltage and to provide a large output voltage swing. These amplifiers make use of a current mirror to achieve the non-inverting input function. Application areas include AC amplifiers, RC active filters, low frequency triangle - squarewave and pulse waveform generation circuits, tachometers and low speed, high voltage digital logic gates.

From the datasheet: This new 'Norton' current-differencing amplifier can be used in most of the applications of a standard IC op amp. Performance as a DC amplifier using only a single supply is not as precise as a standard IC op amp operating with split supplies but is adequate in many less critical applications. New functions are made possible with this amplifier which are useful in single power supply systems.
The datasheet does contain a couple of potentially useful circuits, but nothing that can't be achieved with a traditional opamp or a couple of transistors. The case for these was not compelling enough for them to be specified in any equipment I ever worked on, and they fell from favour pretty quickly when most people realised that they were a waste of space. A later version (LM359) was designed for high speed applications, with a claimed response to 400MHz.
For reasons that I must confess escape me, the LM3900 is still available. Unfortunately, my simulator doesn't support the LM3900, and a discrete version doesn't work as well as one might hope. The fact that this IC remains available means that someone, somewhere, is using it, but for what I do not know.
The devices described here are just a very small sample of what's available. I've only included one CMOS opamp, but left out OTAs (operational transconductance amplifiers) or other ICs that are/ were specialised.
One that stands out is the Intersil (formerly Harris Technology, now Renesas) HA2539. Rated for up to 600MHz and with a 600V/μs slew rate, this is an outstanding component. I doubt that anyone used it for audio, simply because no traditional audio application requires that kind of speed. The 'lesser' HA2620/ 2625 (only 100MHz bandwidth and 35V/μs slew rate) were used in some high-end distortion meters, but were otherwise limited to esoteric applications. These would have included laboratory equipment, military and aerospace. These devices are now obsolete. The closest equivalent available now is probably the TI (Texas Instruments) LM6172 - 100MHz, 3kV/μs slew rate (yes, really!). The ceramic package will set you back a small fortune, but the SMD package is surprisingly low-cost (under AU$10.00 each).

The HA2539 used special fabrication techniques that allowed PNP transistors to have similar performance to NPN, something that hadn't been achieved before. As with any fast opamp, bypassing was critical, and likewise PCB layout. I included it here because it represented the state-of-the-art when it was made. Unfortunately, I've not been able to determine when it was introduced. The datasheet I have is dated 2003, probably not very long before it was retired.
Datasheet DescriptionThe Intersil HA-2539 represents the ultimate in high slew rate, wideband, monolithic operational amplifiers. It has been designed and constructed with the Intersil High Frequency Bipolar Dielectric Isolation process and features dynamic parameters never before available from a truly differential device. With a 600V/µs slew rate and a 600MHz gain bandwidth product, the HA-2539 is ideally suited for use in video and RF amplifier designs, in closed loop gains of 10 or greater.
Full ±10V swing coupled with outstanding AC parameters and complemented by high open loop gain makes the devices useful in high speed data acquisition systems.
The LM358 is not suitable for audio, but it's very useful for basic signal processing and other tasks. It is possible to force the output stage into Class-A by adding a resistor from the output to the negative supply, but it's still slow and rather noisy. Its biggest advantage is that it's close to impossible to contrive a board layout that will cause it to oscillate, and it doesn't care if there's no bypass capacitor for the supply rails.
It's also unusual in that the input common mode range includes ground for a single-supply circuit (or the negative supply if a ±V supply is used), so it can amplify a signal that falls to zero. It is a very low-current opamp, drawing 500μA (typical) at any supply up to ~20V or so. This makes it ideal for battery-powered circuits. I've described a circuit using an LM358 that's designed to disconnect a rechargeable battery if its voltage falls below a preset minimum. The low current is handy for this kind of application.

The LM158 series consists of two independent, high gain, internally frequency compensated operational amplifiers which were designed specifically to operate from a single power supply over a wide range of voltages. Operation from split power supplies is also possible and the low power supply current drain is independent of the magnitude of the power supply voltage.
Application areas include transducer amplifiers, DC gain blocks and all the conventional op amp circuits which now can be more easily implemented in single power supply systems. For example, the LM158 series can be directly operated off of the standard +5V power supply voltage which is used in digital systems and will easily provide the required interface electronics without requiring the additional ±15V power supplies.
Unique CharacteristicsAdvantages
- In the linear mode the input common-mode voltage range includes ground and the output voltage can also swing to ground, even though operated from only a single power supply voltage.
- The unity gain cross frequency is temperature compensated.
- The input bias current is also temperature compensated.
- Two internally compensated op amps
- Eliminates need for dual supplies
- Allows direct sensing near GND and VOUT also goes to GND
- Compatible with all forms of logic
- Power drain suitable for battery operation
- Pin-out same as LM1558/LM1458 dual op amp
The claim that the output can swing to ground is only partially true. It can get to within around 50-100mV of ground easily enough, but only if there's nothing in the external load to pull the output high. However, if the output is driving the base of an NPN transistor, only a limiting resistor is needed, where other opamps must have a voltage divider because their outputs usually can't go much below 1.5-2V above ground.
One thing that's definitely worthwhile is the LM358 datasheet. There are some excellent application circuits, and most will work with any opamp. These range from a VCO (voltage controlled oscillator) through all the usual circuits (buffers, inverters, etc.), lamp drivers, active filters, current sources, oscillators, and many more. In this respect, it's almost an opamp design guide disguised as a datasheet.
We are starting to see many opamps built using the CMOS (complementary metal oxide semiconductor) technology. This has taken over for most logic and processor applications, and it was inevitable that CMOS linear circuits would be used. They have some unique advantages, but are generally noisy compared to BJTs or even JFETs. Note that this is a very different technology from BiMOS (e.g. CA3130/40), and uses the same manufacturing techniques as CMOS logic. Some early CMOS logic ICs could be used in linear mode, but performance was poor.

The schematic is not intended to represent any particular device, but to show the basics of the internal circuit. In most cases, internal circuits aren't shown in datasheets. Many CMOS opamps are designed for low voltage operation, typically 5V. Almost all are SMD, with some having user-hostile packages (e.g. LLCC - leadless chip carrier or QFN - quad flat no leads). These are extremely difficult to work with using standard PCB assembly techniques.
The range is increasing all the time, but most remain marginal for audio. Depending on the manufacturer, you might get to see distortion performance and a noise specification, but expect to be underwhelmed if they are compared to 'traditional' BJT opamps. A noise figure of 57nV√Hz is woeful, but some are much better than that. Many will state that they are RRIO, meaning that both input and output can swing to (or very near) the supply rails(s). The majority are intended for single supply operation, but a ±2.5V supply is perfectly alright.
For a topic such as this, there is no real 'conclusion', because new devices keep being developed all the time. This alone makes the idea that 'analogue is dead' look rather silly, because no maker or supplier will keep producing or selling stuff that no one wants. Linear circuitry is needed in countless applications apart from audio, and the demands for higher performance are never-ending. Everyone wants the 'ideal' opamp, with infinite input impedance, infinite gain and bandwidth, and an output impedance of zero ohms. While this ideal doesn't exist, there are opamps that come remarkably close.
Of course there are limitations, and one that's always been a problem is stability (freedom from oscillation). This has always been a compromise, and that's not likely to be changed any time soon. The fact is that all active electronic devices have propagation delays, and these add up to create a frequency where the negative feedback becomes positive, so the opamp oscillates. The compensation is designed to reduce the open-loop gain to less than unity before any phase shift within the IC causes a polarity inversion.
Unfortunately, frequency compensation means that as the frequency is increased, the open-loop gain is decreased, so there's less feedback and distortion will rise. It's all a careful balancing act, but with all competent opamps available now it's not an issue. Many of the latest opamps have so much open-loop gain and so little intrinsic distortion that it becomes very difficult to even measure it. When the THD of an opamp is quoted as 0.00003% (unity gain, 600Ω load, LM4562 opamp), you can be confident that the distortion contributed by the opamp is so low that it will defy most attempts to measure it.
As always though, the choice of opamp depends on what you're using it for. If you need a transimpedance amplifier to increase the output from a photo-diode, you are looking at perhaps sub-pico amp input currents, and extraordinarily high impedance. An LM4562 would be a very poor choice indeed, because it's not suited to the task at hand. A FET input opamp, selected for very low current noise would be the device of choice, even though it may look much worse on paper.
There are some truly awesome opamps available now. They generally come with higher prices than we're used to, but if you need the best opamp you can get (especially for instrumentation applications where a couple of PPM [parts per million] accuracy is required), then there is an opamp that will do the job. Once you get into this league, the choice of passive parts can have a significant effect, as can PCB layout. This is obviously outside the scope of this article, but it's now almost too easy. 1% resistors used to be uncommon and expensive, but today many people use nothing else for many circuits.
Consider that a 16-bit audio signal (0-5V) has a resolution of 76μV, and a 32-bit processing system has a theoretical resolution of 1.16nV over the same range. This can't be achieved in reality, and the best you can hope for is a resolution of around 24-bits (300nV resolution, 5V). Ultimately, any design ends up being limited by the laws of physics, with thermal noise being the ultimate limiting factor. For example, an ideal (noise-free) amplifier with a bandwidth of 20kHz will have an input noise of -131.81dBV with a 200Ω source. That's a voltage of 256.6nV, just from the resistor! If the (noiseless) opamp has a gain of 10 (20dB), the output noise is at -111.8dBV. This cannot be improved, but it can be made a lot worse if you choose the wrong amplifier or passive component values.
Datasheets for the various opamps described were the main source of information for this article. In a few cases I had to search for internal circuits, many of which are available from a number of sites. The 'datasheet descriptions' are copied from the datasheet for the device discussed, but some may have been updated since original publication. The descriptions are from the datasheets I have, some of which are fairly old now. The following links provided a lot of background info, and are recommended reading if you want to know more.
Main Index
Articles Index
|